MHZL Series Air Gripper (Parallel Withauide/LongerstrokelRollerBearing Stye
MHZL Series Air Gripper (موازي Withauide/LongerstrokelRollerBearing Stye منتج منتج
1. أربعة أنواع من حجم التجويف وثلاثة أنواع من النوع: حجم التجويف: 10،16،20،25.
2. السكتة الدماغية الطويلة: السكتة الدماغية التي تجتاح طويلة وحجم الكائن الذي يسيطر يختلف ؛
3. التصميم المتكامل لـ GUID الخطي: تصميم متكامل لثبات Guid Linear ، والصلابة العالية والدقة العالية ؛
4. مع دبوس تحديد المواقع: أسفل سكة الدليل الخطي ، والتي يمكن أن تمنع انحراف السكك الحديدية والجسم ؛
5. يمكن تركيبها من ثلاثة اتجاهات: مع ثقوب التثبيت على الجانب والذيل
MHZL Series Air Gripper (Parallel Withauide/LongerstrokelRollerBearing stye stye تفاصيل منتج
1. مع فتحة تحديد المواقع: يمكن أن يحسن فتحة تحديد المواقع الدقة واتساق التكرار المتكرر وتحديد المواقع ؛
2. أنواع متعددة من نوع الإصبع: وفقًا للمتطلبات الفعلية للعملاء ، يمكن تخصيص التخصيص الأولي لفك التثبيت لتلبية الاحتياجات المختلفة في ظل ظروف العمل المختلفة. النوع القياسي ؛
3. مع فتحات المفتاح المغناطيسي المربع: فتحات التبديل المغناطيسي المريح لتثبيت dmsgicmsgiemsg التبديل.
4. مع فتحات المفتاح المغناطيسي المستديرة: فتحات المفتاح المغناطيسي المستديرة مريحة لتثبيت مفتاح تحفيز DMShicMshiemsh.
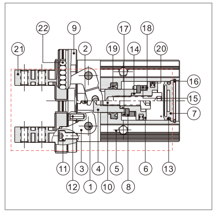
MHZL Series Air Gripper (Parallel Withauide/LongerstrokelRollerBearing Stye Interior Enterist
لا. |
غرض |
المواد |
لا. |
غرض |
مادة |
1 |
دبوس |
الفولاذ المقاوم للصدأ |
12 |
دبوس |
تحمل الصلب |
2 |
دبوس |
الفولاذ المقاوم للصدأ |
13 |
O-Ring |
NBR |
3 |
شريط منحني |
الفولاذ المقاوم للصدأ |
14 |
O-Ring |
NBR |
4 |
قضيب المكبس |
سبيكة الألومنيوم/الفولاذ المقاوم للصدأ |
15 |
مغناطيس |
المعدن الملبد (النيوديميوم-الحديد البورون |
5 |
جسم |
سبيكة الألومنيوم |
16 |
م مقطع |
الفولاذ الربيعي |
6 |
مكبس |
سبيكة الألومنيوم/الفولاذ المقاوم للصدأ |
17 |
المصد |
TPU |
7 |
الغطاء الخلفي |
النحاس/سبيكة الألومنيوم |
18 |
غسالة المغناطيس |
NBR |
8 |
مغناطيس الثابت قشر |
سبيكة الألومنيوم/الفولاذ المقاوم للصدأ |
19 |
تعبئة قضيب |
NBR |
9 |
السكك الحديدية |
سبيكة الصلب |
20 |
بحر المكبس |
NBR |
10 |
المسمار countersk |
سبيكة الصلب |
21 |
فك التثبيت |
تحمل الصلب |
11 |
المسمار countersk |
سبيكة الصلب |
22 |
دليل الأسطوانة |
تحمل الصلب |
MHZL Series Air Gripper (موازي Withauide/LongerstrokelRollerBearing stye Reference Spec
MHZL10
MHZL16
MHZL20
MHZL25
التثبيت والتطبيق
1. بسبب التغييرات المفاجئة ، يكون ضغط الدائرة منخفضًا ، مما يؤدي إلى انخفاض قوة الإمساك وسقوط قطع العمل. من أجل تجنب الضرر لجسم الإنسان والأضرار التي لحقت بالمعدات ، يجب أن يكون جهاز مضاد للمسقط مجهزًا.
2. لا تستخدم قبعة الهواء تحت قوة خارجية قوية وقوة التأثير.
3. قم بالتواصل معنا عندما يتم مشابك نوع التمثيل الواحد فقط مع قوة الربيع. 4. عندما nstall وإصلاح Airgripper ، تجنب السقوط والتصادم والأضرار
5. عند إصلاح أجزاء الفك الذي يسيطر ، لا تحريف الفك.
6. يوجد عدة kinds من طريقة التثبيت ، ويجب أن يكون المسمار المسمار القفل في نطاق عزم الدوران الموضح في المخطط أدناه. LF عزم الدوران قفل كبير جدًا ، وسيؤدي ذلك إلى خلل وظيفي. إذا كان عزم دوران القفل صغيرًا جدًا ، فإنه سيؤدي إلى انحراف الموقف والسقوط.
نوع التثبيت الذيل
تحمل/ |
البراغي |
Max.locking |
ماكس |
فتحة |
عمق |
|
10 |
M3 × 0.5 |
0.88nm |
6 مم |
φ11mm +0.05 0 |
1.5mm |
|
16 |
M4x0.7 |
2.1nm |
8 مم |
φ17mm +0.05 0 |
1.5mm |
|
20 |
M5 × 0.8 |
4.3nm |
10mm |
φ21mm |
+0.05 0 |
2mm |
25 |
M6x1.0 |
7.3nm |
12mm |
φ26mm +0.05 0 |
2mm |
|








